Einbindung Hörmann Garagentorantrieb Typ ProMatic

Hallo,

hätte hier mal eine Frage an andere Zipabox Nutzer.

Bin ja noch recht neu mit der Zipabox unterwegs.

Wollte jetzt per Fibaro Relais 1x 3kW mein Garagentorantrieb von Hörmann Typ ProMatic (kein II und III)einbinden.
Anleitung ProMatic

Gibt es hierzu eine brauchbare Anleitung?
Ist hierzu ein Fibaro Relais geeignet? Wenn ja welches?
Impusfähig? Impuls Taster runter, Impuls Taster Stopp, Impuls Taster Gegenrichtung. Die jetzige Steuerung.
Anlage hat ja wohl 24V Steuerspannung.

Welche Parameter benötige zur weiteren Einstellung im Gerätemanager für das Relais?

Weiter wie verhält es sich mit den Zustand Tor (Sektionaltor) oben, oder unten als Statusanzeige.
Oder muss ich hierzu noch ein weiteres Z-Wave Bauteil einsetzen für den Status offen oder geschlossen?
Beispiel: Z-Wave Vision Garagentor Sensor (VIS_ZG8101)

Über brauchbare Informationen würde ich mich sehr freuen…

treesix

Das sollte mit dem Fibaro Relais funktionien.
L und N ist für die Stromversorgung für das Relais. FGS-211 = 110-230V AC oder 24-60V DC / FGS-212 = 110-240V AC
Die anschlüsse IN und Q da anschliesen wo der jetzige Taster angeschlossen ist.
In der Konfiguration Parameter 4 „Auto off Time(s)“ einstellen, so schaltet sich das Relais nach einer definierten Zeit wieder aus und wirkt somit wie ein Taster.
Um die Position festzustellen dann den Garagentor Sensor.
Gruß Maik

Hi Maik,

Danke erstmal…
Hatte in einem anderen Forum auch ein Bild mit Anschaltung gefunden.
Sogar über den S2 eine Rückmeldemöglichkeit, z.B. Mikroschalter (Taster) als Rückmeldung für
Tor oben.

Was meinst du? Muss ich hier noch mehr einstellen?

treesix

Hi,

interessante Thema…sag mal bescheid ob es geklappt hat…würd ich auch gerne mal testen…

Gruß Helle

Klar kann man einen Endschalter an S2 anschliesen, dann brauchst du keinen extra Sensor
Dafür müsstest du nur in den Einstellungen S2 auf Taster stellen.

Hi,

Danke erstmal für die Info.

Habe hier noch ein FGS-212 (halt ohne 24V) hier liegen. Ein Endschalter ( Öffner / Schließer ) habe ich mir heute bestellt.
Werde die Artikel die nächsten Tage mal installieren und testen.

Wenn es funktioniert, wäre es schön eine tolle Sache.

Nur wegen den S2 ( Rückmeldung) bin ich mir noch nicht sicher, was ich genau in der Zipabox bei der Gruppe einstellen muss.

treesix

hat es bei jemandem schon hingehauen? Bei mir klappt es leider bis jetzt nicht. Ich habe einen FGS 211 mit der Lichtschrankenversorgung verbunden, was auch kurz funktioniert hat, dann ging der Schalter offline. Die Klemmen für den externen Taster habe ich an IN und Q angeschlossen. Leider passt das noch nicht. :frowning:

Problem gefunden. Dem FGS211 reicht der Strom, welcher aus dem Lichtschrankenversorger kommt anscheinend nicht aus. Jetzt habe ich das Relais an eine normale Stromversorgung geklemmt und es funktioniert einwandfrei. Dazu habe ich noch den Garagentorsensor VIS_ZG8101. Einfach Perfekt!

Hi,

habe hier auch den FGS-211 (wegen den 24 Volt) im Einsatz. Die Klemmen IN und Q Parallel zum vorhanden Taster.

Nur Typ ProMatic Antrieb:

Klemme 20 und 21a (Taster parallel). Die 24 Volt von der Steuerung Reicht aus. Wichtig ist die Klemme 5 (diese hat die 24 Volt +).
Als Sensor den VIS_ZG8101.

11.jpg

Gibt es evt noch ein paar Fotos vom Antrieb? Wie alles verkabelt ist?

Gruß Helle

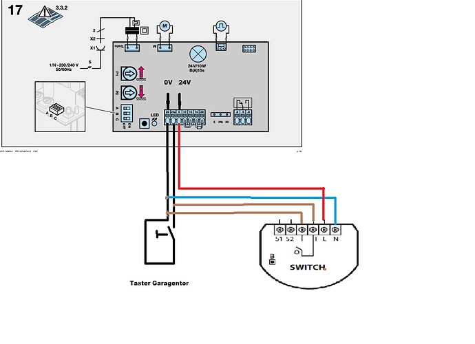
Hi Helle,

habe dir mal schnell ein Anschlussbild gemalt…

Bedingung hier ist die 24V Eigenversorgung durch die ProMatic Steuerung…

Foto´s ist schlecht, da alles schön unter der Abdeckung verstaut.

Gruß

tree

Hallo zusammen,

Och möchte das THEMA NOCHMALS „hocholen“. Habe das Ganze heute mit einem Fibaro FGS-222 nachgebaut. Anschluss an 230 Volt und die Taster (1x normaler Taster einmal Schlüsseltaster) beides parallelgeschaltet. Allerdings fährt mein Tor sofort zu wenn ich Saft auf die Anlage gebe. Ich vermute, dass das Relais beim Einschalten sofort einen Kontakt gibt. Auch gehen die anderen Taster nicht, solange ich den Anschluss am Relais habe. Ich vermute meine Parameter im Relais stimmen nicht. Welche Einstellungen muss ich ändern um beim Einschalten nicht sofort auf „an“ zugehen, und wie kann ich das Gerät in den Einstellungen als Taster mit 1 Sekunde definieren.

Einen Garagentorsensor habe ich ebenfalls montiert, der funktioniert problemlos. Wie kann ich die beiden Module unter ein Icon bringen?

Markus

Hi,

da fehlen mir doch ein paar Angaben.

Meistens haben Garagentorantriebe eine 24V Steuerung, wo auch Taster, oder Schlüsselschalter mit eingebunden werden können.

Um welchen Antrieb handelt es sich denn eigentlich?

Bei der Config für den Switch ist der Parameter (4) Auto Time auf max 1 sec (wie Tastimpuls) und Parameter (14) Switch Type auf Toggle.

Es sind bei dir zwei Geräte, daher ist es nicht möglich die beiden unter ein Icon zu bringen.

Hallo treesix,

Es handelt sich um einen Novomatic 563S ( http://www.novoferm.de/fileadmin/novoferm_de/Dateien/tech-dok-PDFs/novomatic-563-s.pdf ).
Die Taster, wie auch die Schaltein- und Ausgänge sind an F angeschlossen und laufen mit 24 Volt. Das Relais selbst läuft mit 230 Volt.

Markus

Als Schaltertyp hast Du Toggle ausgewählt. Bei mir gibt es nur die Auswahl zwischen Mono_Stable ( wa ich eingestellt habe) und Bi_Stable.

Markus

Ich habe es gefunden…Tor läuft. In meiner Beschreibung von Fibaro steht das die Zeit in Millisekunden angegeben wird. Also hae ich 60 eingegeben. Die Zipabox hat aber Sekunden als Maßeinheit ( kann man aber kaum lesen so klein). Wert geändert-alles gut.
Danke

Markus

Hi Markus,

sehr schön, es funktioniert jetzt wenigstens bei dir.

Mein Relais konnte ich mit über die 24V Steuerspannung des Hörmann Antriebs nutzen.

Weiterhin viel Spass…

Sven

Hallo treesix,

welchen Antrieb hast du da genau?
ich habe ein hörmann promatic ecostar 700 und den Taster (siehe Bild) hast du das mit dem Taster gemacht?
der geht über die 2 Kabel noch die Sperre und das Licht, also will ich nicht einfach das Kabel trennen.

MfG

Hi trouble,

Dein Antrieb ist schon grundlegend anders wie mein Promatic 2 Antrieb.

Dein Innentaster, hat nicht nur die Impuls Funktion.

z.B.

Taste betätigen —> Antrieb fährt
Taste während der Fahrt betätigen —> Antrieb stoppt
Taste wieder betätigen —> Antrieb fährt in andere Richtung.

Deine Anschlussmöglichkeiten sind auch begrenzt.

Im nachfolgenden versuche ich dir eine Möglichkeit aufzuzeigen, welche noch nicht getestet wurde von mir.

Ich würde, wenn überhaupt den Aufbau hier mit einem anderen ( wichtig „potentialfreien Kontakt“ ) aufbauen.
Das Produkt –>Qubino Flush 1D Relais, Unterputz-Mikromodul (ZMNHND1)<– wäre hier sinnvoll.

  1. Trennung zur 230V (dienst zum Betrieb des Relais)
  2. Potentialfreier Kontakt (24V Seite) für die Anbindung an den Innentaster.
  3. Zur Überwachung noch einen extra Sensor, hier Z-Wave Vision Garagentor Sensor VIS_ZG8101

Nochmal, ich versuch hier eine Lösung anzubieten, welche ich nicht getestet habe.

zu 1
Den 230V Teil über die Klemmen beim Qubino Relais L (Phase, spannungsführender Leiter) und N (Neutralleiter) anklemmen.

zu 2
Den jetzt schon vorhandenen Taster sehen wir aus der Sicht des Qubino Relais als Parallelschaltung. Also brauchst du hier nichts aufzutrennen.
QA mit (+) beim Anschluss und QB mit (-) verbinden, also parallel zum vorhandenen Taster.

In der Zipabox sollte der Tastausgang (ist ja ein virtueller Taster) noch so definiert werden. Ds hier nur bei betätigen ein kurzer Tastimpuls Parameter 1 –> 0 - mono-stable switch type (push button) und Parameter 11 –> auf einen Wert ca. 1 sec. zum gepulsten Betätigen des Virtuellen Tasters eingestellt werden.

@ Helle, falls du hier mitlesen solltest, bitte prüfen ob ich das hier richtig beschrieben habe.

zu 3
Der extra Sensor (Batteriebetrieb) überwacht die ob das Tor unten oder oben ist, mit Hilfe eines Lagesensors.

Wie gesagt, es ist von mir nur ein Vorschlag und ist nicht auf Funktion und Richtigkeit geprüft.

Gruß

treesix

Mahlzeit,

habe gerade den AEON Garagendoor Controller angeschlossen…klappt super…Bericht gibt es demnächst im Blog.

Ohne viel Gefummel…

Gruß Helle