Treppenhauslicht mit Kreuzschaltung realisieren

Hallo Liebes Forum,

kann mir bitte jemand behilflich sein bei der Realisierung meiner Haussteuerung? Ich würde gerne in meinem Flur einen Fibaro Dimmer verbauen um die angeschlossenen Dimmbaren LED´s über einen Motion Sensor steuern zu können. Für die Steuerung des Fibaro Motion Sensor würde ich die „perfekte Lichtsteuerung“ verwenden, diese ist bereits in einem Zimmer (1 Schalter) im Einsatz.

Das Problem besteht bei der Verkabelung meines Flurs. Ich habe drei Schalter (2x Wechselschalter, 1x Kreuzschalter), keine Taster, mit welchen ich das Licht von allen drei Schaltern an/aus schalten kann, ich glaube der Schaltungsaufbau heißt Kreuzschaltung. Ich hatte bereits versucht, einen Schalter mit dem Dimmer zu verbinden, leider ging das Licht bei jedem Schaltungswechsel kurz an und gleich wieder aus oder es ging gar nicht erst an. Ich hatte jeden Schalter einmal mit dem Dimmer verbunden in der Hoffnung, dass ich die Steuerung realisieren kann, leider ohne Erfolg. Jetzt habe ich erst einmal alles rückgängig gemacht und warte auf euren Rat.

Wie muss ich die Steuerung mit Fibaro aufbauen und welche Komponenten benötige ich dafür? Muss ich hinter jeden Schalter ein Fibaro Relay (2xRelay für 2 Schalter) setzen und hinter einen Schalter den Dimmer oder reicht ein Dimmer aus und die restlichen Schalter müssen nicht bestückt werden?

Über Hilfe wäre ich sehr dankbar.

Vielen Dank
MfG Daniel

Daniel,

hast Du zufälligerweise eine Steckdose(Phase und Nullleiter) beim letzten Schalter vor der Lampe(Wechselschalter)?
Dann ist es relativ einfach.
Phase und Nulleiter and Dimmer anschalten.
Dimmerausgang mit Lampe verbinden und den Ausgang vom Schalter(welcher an Lampe angeschalten war) auf den Dimmer Eingang hängen.

Hi,

wie bekomme ich raus welches der „letzte“ Schalter ist? Ich glaube schon dass es sich bei dem letzten Schalter um einen Wechselschalter handelt. Muss ich die vorhandenen Schalter durch Taster ersetzen (das habe ich gerade in einem anderen Forum gelesen)?

Normalerweise wird die Phase geschalten.
Damit müsstest Du mit einem Phasenprüfer beim letzten Schalter die Schalterstellung prüfen können.
Licht ein = Phasenprüfer leuchtet.
Licht aus = Phasenprüfer ist aus.
Bei der 1. Dose hast Du dauerhaft Phase.

Falls die Schaltung so ist wie beschrieben, kannst den Schalter drinnen lassen.

hallo Daniel,

identifiziere den Schalter, dessen Phase das Licht schaltet (Ausgangsschalter). Dort muss der Dimmer hin.

nach langem probieren habe ich bei einem Einsatz des Dimmers in Wechsel-/Kreuzschaltungen die Schalter durch Taster (Schließer Arbeitsstrom - 5 Eur im Baumarkt) ersetzt. Nur so lässt sich von allen Schaltern das Licht auch dimmen. In den Schaltern sind genügend Kabel vorhanden, die Du allerdings entsprechend verdrahten musst.

Gruß - wibu

Hallo Wibu,

ich werde mich kommendes Wochenende mal ran setzen und die Schaltung auseinandernehmen. Sollte ich nicht weiter kommen, melde ich mich noch einmal.

Vielen Dank
LG Daniel

Hallo,

ich habe gerade versucht den Fibaro Dimmer in meine Flurschaltung zu integrieren, leider auch hier wieder ohne Erfolg. An dem Schalter ist einmal zweimal Dauerplus und einmal geschaltet plus vorhanden.
1x Dauerplus (D1), wenn ich diesen abziehe erkenne ich keine Veränderung, das Licht geht von allen Schaltern ohne Probleme an und aus.
1x Dauerplus (D2), wenn ich diesen Abziehe, gehen die Lampen aus
1x geschaltet Plus (G1), dieser geht sicher zu den Lampen

Ich habe nun D1 am Schalter belassen und alles andere wie folgt mit dem Fibaro Dimmer 2 konfiguriert
D2 = L am Dimmer
G1 = am Lastausgang des Dimmers
Sx (Fibaro) = Schalter
S1 (Fibaro) = Schalter

Der Dimmer lässt sich auch einbinden, anschließend erfolgt folgende Fehlermeldung:
Surge detected. Check the configuration and connected loads.

Kann mir hier jemand helfen?

LG Daniel

Hi,

würde dir empfehlen einen erfahrenen Elektriker zu kontaktieren.

Ferndiagnose ist bei diesem Thema unserer Meinung nach der falsche Weg.

Gruß

Daniel,

probier mal mit parameter 30 zu spielen.
Laut Fehlermeldung probier mal 0 (leading edge)

Fehlermeldung:
C) SURGE ERROR
Appearing of an error may be the result of electrical surges, incorrect
load control (inductive load controlled in trailing edge mode) or connecting
the prohibited type of load.

Schalter würde ich mal nicht anschliessen und sehen ob der Dimmer SW mässig ein und aus geschalten werden kann.
Am besten mit geringer Dimmstufe beginnen.

Hier sind die Settings von Parameter 30:
30. Load control mode
This parameter allows to set the desired load control mode. The device
automatically adjusts correct control mode, but the installer may
force its change using this parameter.
Forced auto-calibration will set this parameter’s value to 2.
Available settings: 0 - forced leading edge control
1 - forced trailing edge control
2 - control mode selected automatically (based
on auto-calibration)
Default setting: 2 Parameter size: 1 [byte]

Wenn das nicht zum Ziel führt am Besten wirklich einen Elektriker hinzuziehen.
Deine Schaltung ist nicht wie erwartet da Du an beiden Schaltereingängen Phase hast (Dein Plus)
Normalerweise würde ich beim letzten Wechselschalter vor der Lampe auf einem Eingang Phase erwarten und den anderen Eingang ohne Spannung.
Dieser Zustand wechselt mit dem Schalten der vorherigen Schaltern.
Siehe auch dort: Kreuzschaltung – Wikipedia

Guten Morgen,

vielen Dank für eure Hilfe, ich werde jetzt mal einen Elektriker heranziehen in der Hoffnung, dass dieser mir helfen kann. Meine Befürchtung ist, dass der Elektriker die Schaltung mangels Wissen um die Fibaro Komponenten nicht realisieren kann.
Allen schöne Osterfeiertage
THX Daniel

Hi,
hast du das bei dir ans laufen bekommen?
Ich will bei mir im Treppenhaus (3 Taster) auch ein Dimmer anschließen, aber es will nicht so richtig.
Ich hatte auch schon nen Elektriker hier, aber leider ohne Erfolg. Aber für den Elektriker kannte sich mit dem Fibaro Dimmer nicht aus.
Er hatte da diverse Verbindungen versucht, aber mal ging der Schalter nicht aber mit dem Fibaro Dimmer, mal ging gar nichts und so.

Hi,

ein „vernünftiger“ Elektriker sollte eigentlich einen Schaltplan lesen können und dies auch so umsetzen können. Schade, dass sich dieses Thema so zäh bei den Elektrikern verbreitet, vor allem muss sich der Elektriker ja gar nicht mit dem Dimmer auskennen. Unbegreiflich.

Gruß

In einer Kombination war das so, dass wenn man den Schalter gedrückt hatte das Licht zwar irgendwie wohl aus ging, aber sofort wieder an.
Kann das an einer „fehlerhaften“ Parameter Einstellung liegen und da die Dimmer an sich richtig angeschlossen war?

Dem Elektriker mach ich da eigentlich erst mal kein Vorwurf, er war ja auch definitiv bemüht.

Er war stets bemüht :smiley: Reicht meistens nicht zur Versetzung :wink:

Klingt eher nach einem falschen Anschluss. Über die Parameter kann man so ein Verhalten glaub ich nicht einstellen.

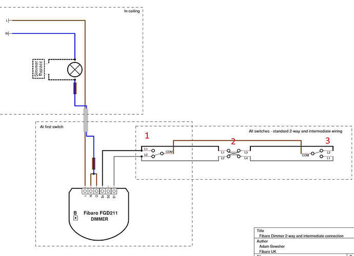
Ich würde sagen, die Verdrahtung war so wie auf dem Plan im Anhang.
Aber das funktioniert nicht immer, je nach dem welcher Taster gedrückt wurde.

Vielleicht kann mir ja einer sagen woran es liegt. Im Plan im Anhang hab ich mal Zahlen an die Taster dran geschrieben.
Also:
Situation A: List ist aus, HC2 kann an/aus schalten, 1 geht nicht, 2 und 3 gehen.
Situation B: Licht ist an, HC2 kann an/aus, 1 geht auch an/aus, 2 und 3 Licht geht ganz kurz aus und dimmt sofort wieder hoch.
Situation C: Licht wird an Taster 2 an geschaltet, 1 und 3 können auch aus/an schalten, HC2 meldet Übertragung fehlgeschlagen.
Wird bei Taster 3 das Licht angeschaltet ist es genauso wie bei C.

Den im Plan eingezeichneten Bypass habe ich allerdings nicht.
Die Parameter im HC2 sind alle auf Standardwerten und der Dimmer ist der Dimmer 1 (211) in Version 2.2.
Hat da einer ne Idee?

Als erstes wäre es interessant zu wissen, was installiert ist Schalter oder Taster.
Weiter oben im Beitrag schreibst du 3 Taster und auf dem Schaltplan sind 3 Schalter, welche auch noch falsch angeschlossen sind.

Verbaut sind, wie geschrieben, drei Taster.
Der Plan ist von Fibaro, was ist denn da falsch? Vielleicht liegt ggf. da ja schon der Fehler.

Zer01,

Hast Du den Dimmer mit Taster oder Schalter angeschlossen?
Schalter: Parameter 20:1
Taster: Parameter 20:0

Bei Doppeltaster: Parameter 20:2


GROUP 20 - Dimmer 2 operation - Switches
20. Switch type
Choose between momentary, toggle and roller blind switch.
Available settings: 0 - momentary switch
1 - toggle switch
2 - roller blind switch - two switches operate
the Dimmer 2 (S1 to brighten, S2 to dim)
Default setting: 0 Parameter size: 1 [byte]


Zer01,

zur Vollständigkeit:
Wenn Du Taster verbaut hast wird Diese Schaltung nur funktionieren wenn der Wechselschalter in der Mitte in der Grundstellung über Kreuz ist.
L1 mit L4
und
L2 mit L3